Attuatore di valvola elettrica intelligente fine

Panoramica
Gli attuatori elettrici della serie di fritti vengono utilizzati per controllare le valvole con rotazione di 0-90 gradi e altri prodotti simili, come valvole a farfalla, valvole a sfera, valvole a spina, valvole dell'otturatore, ecc. Utilizza AC415V, 380 V, 240 V, 220 V, 110 V, DC24V come alimentazione di guida e alimentazione a 4-20 VAS Per ottenere un controllo automatico, con una coppia di uscita massima di 2000 nm. Può essere ampiamente utilizzato nei campi di petrolio, energia chimica, metallurgia, trattamento delle acque di carta, navi, trasformazione alimentare e automazione dell'edificio. Ha anche molti vantaggi come dimensioni ridotte e peso leggero, bell'aspetto, struttura unica, apertura e chiusura compatta, installazione veloce, facile, coppia operativa piccola, funzionamento facile, nessuna manutenzione, uso sicuro e conveniente, ecc.
PRESTAZIONECaratteristiche degli attuatori elettrici
• Shell: il guscio è realizzato in lega di alluminio duro, rivestito di polvere anodizzata e poliestere, con una forte resistenza alla corrosione e grado di protezione IP67.
• Motore: motore a gabbia di scoiattolo completamente chiuso, dimensioni ridotte, coppia elevata, piccola forza di inerzia, grado di isolamento F, che può impedire il surriscaldamento e il danno al motore.
• Struttura manuale: la progettazione della maniglia garantisce sicurezza, affidabilità, risparmio di lavoro e dimensioni ridotte. Quando non c'è energia, la maniglia può essere girata per il funzionamento manuale. Quando non in uso, posizionare la chiave nel morsetto della chiave per facile utilizzo.
• Indicatore: l'indicatore è installato sull'asse centrale per osservare la posizione della valvola. La lente adotta un design convesso a specchio, che impedisce l'accumulo di acqua e rende l'osservazione più conveniente.
• Sigillatura: buona tenuta, il grado di protezione standard è IP67.
• Interruttore del limite: doppio limite meccanico ed elettronico. La vite di limite meccanica è regolabile, sicura e affidabile; L'interruttore di limite elettronico è controllato da un meccanismo a camme e il semplice meccanismo di regolazione può impostare accuratamente e convenientemente la posizione senza essere influenzato da una ruota eccessiva.
• Auto-blocco: il meccanismo di ingranaggio del verme preciso può trasmettere in modo efficiente una coppia di grandi dimensioni, con alta efficienza, basso rumore (max . 50 dB) e lunga durata. Ha una funzione di auto-blocco per prevenire l'inversione e la parte di trasmissione è stabile e affidabile, senza la necessità di carburante.
Struttura del prodotto

1. Volume piccolo
Il volume è solo del 35% di prodotti simili.
2. Protezione multipla
Limite elettrico, limite meccanico, protezione del surriscaldamento, protezione da deumidificazione.
3. Precisione e ingranaggio a vite da vermi resistenti all'usura
L'ingranaggio del verme e il verme sono perfettamente combinati e collegati insieme armoniosamente. L'integrazione dell'uscita degli ingranaggi del verme riduce efficacemente il divario di connessione e migliora notevolmente l'accuratezza della trasmissione.
4. Motore
Ha superato il test di tensione di resistenza AC1500V, il motore altamente isolato di classe H per garantire la sicurezza del corpo e della produzione. La maniglia operativa manuale non è facile da perdere. Posizionare un morsetto sulla maniglia sul bullone del limite meccanico per rendere meno probabile che la chiave esagonale si perda nel campo.
5. Plate di collegamento
La piastra di montaggio ISO5211 è più standard e più semplice da collegare alla valvola. Il montaggio con la valvola è più conveniente e affidabile. Lo stelo della valvola viene inserito direttamente nell'ingranaggio dei vermi all'interno dell'attuatore, rendendo la forza di armbet tra la valvola e l'albero di uscita più corta e la forza di uscita più stabile.
6. Indicatore di posizione
Utilizzando la tecnologia di sinterizzazione delle lenti in vetro ad alta resistenza, la finestra del display è più bella e liscia.
7. Protezione da guscio
Il grado di protezione IP67, che risolve i problemi testardi di basso grado di protezione e scarse prestazioni dei tradizionali prodotti a prova di esplosione.
Parametri e funzioni
|
Grado di protezione |
Standard IP65/IP67 Special IP68 |
|
Alimentazione elettrica |
AC380V trifase AC380V --- 460V 50/60Hz monofase: AC110V-AC220V DC24V AC24V 50/60Hz |
|
Motore |
Motore a induzione della gabbia scoiattolo |
|
Ingresso via cavo |
Configurazione standard: 1xm18 Plug a prova di esplosione a prova di esplosione (da implementare) Quando si utilizza, l'utente deve installare il corrispondente giunto per cavi a prova di esplosione Secondo il cavo selezionato. |
|
Limitare gli interruttori |
2x (aperto)/(chiudi) SPDT, 250 V AC10A |
|
Interruttore di limite ausiliario |
2x (aperto)/(chiudi) SPDT, 250 V AC10A |
|
Protezione in jam |
Protezione di surriscaldamento costruita |
|
Angolo di viaggio |
90 gradi |
|
Indicatore di posizione |
Indicatore meccanico continuo con freccia |
|
Self blocco |
Fornito da Double Worm Gearing (nessun freno) |
|
Limite meccanico |
2 bulloni di regolazione esterna |
|
Temperatura ambiente |
Standard: -20-+60 grado Tipo di temperatura a bassa temperatura opzionale: -60+70 grado (deumidificatore di riscaldamento integrato 7-10W 110 V /220VAC) |
|
Umidità ambientale |
90%RH MAX (non condensando) |
|
Grado a prova di esplosione |
EXD IICT4 IECEX Atex Custom Certification disponibile |
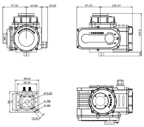
Parametri tecnici e dimensioni
Fry05

|
Voltaggio Prestazione |
DC24V |
AC24V |
AC110V |
AC220V |
AC380V |
|
Potenza motoria |
13W |
15W |
15W |
15W |
15W |
|
Corrente nominale |
1.28A |
1.05A |
0.24A |
0.15A |
0.07A |
|
Coppia di uscita |
20nm/50nm |
50nm |
50nm |
50nm |
50nm |
|
Tempo di viaggio |
5S/8S |
26S |
26S |
26S |
26S |
|
Angolo di rotazione |
0 gradi -90 gradi ± 5 gradi |
0 gradi -90 gradi ± 5 |
0 gradi -90 gradi ± 5 |
0 gradi -90 gradi ± 5 |
0 gradi -90 gradi ± 5 |
|
Circuito di controllo |
Tipo di off-off/Tipo di contatto passivo/Tipo di segnale di apertura/Tipo di modulazione intelligente |
||||
|
Peso totale |
3 kg |
||||
|
Resistenza all'isolamento |
100 mΩ/250vdc |
100 mΩ/500vdc |
|||
|
Restringere il grado di tensione |
500VAC/1min |
500VAC/1min |
1500VAC/1min |
1500VAC/1min |
1800VAC/1min |
|
Grado di protezione |
IP67 |
||||
|
Direzione di installazione |
Installazione a qualsiasi angolazione |
||||
|
Interfaccia elettrica |
PG13.5 Connettore di cavi impermeabili in nylon |
||||
|
Temperatura ambiente |
-30 grado -+60 gradi |
||||
Fry10/16

|
Voltaggio Prestazione |
DC24V |
AC24V |
AC110V |
AC220V |
AC380V |
|
Potenza motoria |
25W |
30W |
30W |
30W |
30W |
|
Corrente nominale |
2.03A |
2.12A |
0.57A |
0.30A |
0.10A |
|
Coppia di uscita |
100 nm |
100nm/160nm |
|||
|
Tempo di viaggio |
10S/20S |
30S/60S |
|||
|
Angolo di rotazione |
0 gradi -90 gradi ± 5 gradi |
0 gradi -90 gradi ± 5 |
0 gradi -90 gradi ± 5 |
0 gradi -90 gradi ± 5 |
0 gradi -90 gradi ± 5 |
|
Circuito di controllo |
Tipo di off-off/Tipo di contatto passivo/Tipo di segnale di apertura/Tipo di modulazione intelligente |
||||
|
Peso totale |
4 kg |
||||
|
Resistenza all'isolamento |
100 mΩ/250vdc |
100 mΩ/500vdc |
|||
|
Restringere il grado di tensione |
500VAC/1min |
500VAC/1min |
1500VAC/1min |
1500VAC/1min |
1800VAC/1min |
|
Grado di protezione |
IP67 |
||||
|
Direzione di installazione |
Installazione a qualsiasi angolazione |
||||
|
Interfaccia elettrica |
PG13.5 Connettore di cavi impermeabili in nylon |
||||
|
Temperatura ambiente |
-30 grado -+60 gradi |
||||
Fry25/50

|
Voltaggio Prestazione |
DC24V |
AC220V |
AC380V |
DC24V |
AC220V |
AC380V |
|
|
Potenza motoria |
50W |
60W |
40W |
70W |
90W |
90W |
|
|
Corrente nominale |
3.57A |
0.80A |
0.29A |
5.1A |
1.00A |
0.35A |
|
|
Coppia di uscita |
250nm |
250nm |
250nm |
500nm |
500nm |
500nm |
|
|
Tempo di viaggio |
30S |
||||||
|
Angolo di rotazione |
0 gradi -90 gradi ± 5 gradi |
0 gradi -90 gradi ± 5 |
0 gradi -90 gradi ± 5 |
0 gradi -90 gradi ± 5 |
0 gradi -90 gradi ± 5 |
0 gradi -90 gradi ± 5 |
|
|
Circuito di controllo |
Tipo di off-off/Tipo di contatto passivo/Tipo di segnale di apertura/Tipo di modulazione intelligente |
||||||
|
Peso totale |
6,8 kg |
6,8 kg |
6,8 kg |
8 kg |
8 kg |
8 kg |
|
|
Resistenza all'isolamento |
DC24: 100MΩ/250VDC AC220/AC380: 100MΩ/500VDC |
||||||
|
Restringere il grado di tensione |
DC24: 500VAC/1min AC220: 1500VAC/1min AC380: 1800VAC/1min |
||||||
|
Grado di protezione |
IP67 |
||||||
|
Direzione di installazione |
Installazione a qualsiasi angolazione |
||||||
|
Interfaccia elettrica |
PG13.5 Connettore di cavi impermeabili in nylon |
||||||
|
Temperatura ambiente |
-30 grado -+60 gradi |
||||||
Fry100/Fry200

|
Voltaggio Prestazione |
AC220V |
AC380V |
AC220V |
AC380V |
|
Potenza motoria |
120W |
90W |
140W |
90W |
|
Corrente nominale |
1.20A |
0.44A |
1.20A |
0.48A |
|
Coppia di uscita |
1000nm |
1000nm |
2000nm |
2000nm |
|
Tempo di viaggio |
60S |
60S |
100S |
100S |
|
Angolo di rotazione |
0 gradi -90 gradi ± 5 |
0 gradi -90 gradi ± 5 |
0 gradi -90 gradi ± 5 |
0 gradi -90 gradi ± 5 |
|
Circuito di controllo |
Tipo di off-off/Tipo di contatto passivo/Tipo di segnale di apertura/Tipo di modulazione intelligente |
|||
|
Peso totale |
12 kg |
|||
|
Resistenza all'isolamento |
AC220/AC380: 100MΩ/500VDC |
|||
|
Restringere il grado di tensione |
AC380: 1800VAC/1min |
|||
|
Grado di protezione |
IP67 |
|||
|
Direzione di installazione |
Installazione a qualsiasi angolazione |
|||
|
Interfaccia elettrica |
PG13.5 Connettore di cavi impermeabili in nylon |
|||
|
Temperatura ambiente |
-30 grado -+60 gradi |
|||
Parti meccaniche

Diagramma di cablaggio


Applicazioni sul campo


Gamma di applicazioni

La nostra fabbrica

Etichetta sexy: Pannello solare Energia Attuatore della valvola elettrica DC24V, Cina, produttori, fornitori, fabbrica, acquisto, prezzo, preventivo
